山东五维阻燃科技股份有限公司创建于1998年10月6日,公司以安全、环保为中心,确保安全生产,环保守法。
公司以“安全第一、预防为主、绿色环保、节能高效”为安全、环保方针,认真抓好安全、环保工作。
我们注重产品机构,强化现代化经营和管理知识,不断开拓新产品。以科技为核心,以质量开拓市场……
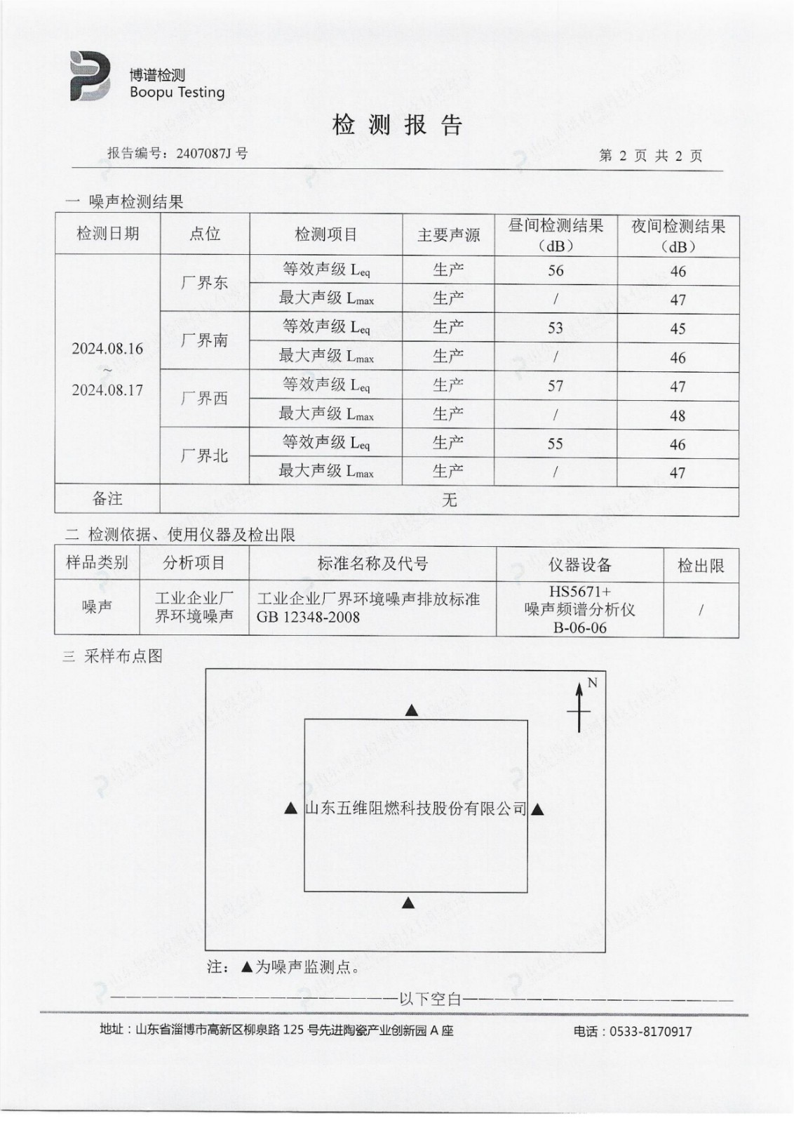
五维阻燃昼夜噪声08.19.pdf
有组织排放五维阻燃7.19.pdf
烟气对比五维阻燃1号锅炉7.16.pdf
友情链接:硼酸锌生产厂家 板式换热器
电话:0533-7056377 总经理:冯永成
手 机:18853316013 地址:中国山东淄博桓台县索镇兰雅路刘家村215号
Copyright ©All rights reserved 2003-2025 山东五维阻燃科技股份有限公司 版权所有